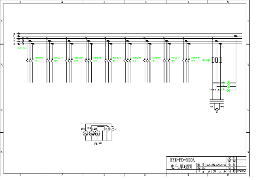
配電柜的電路圖分為一次原理圖、二次原理圖,一次原理圖即為主電路原理圖。二次原理圖即為控制電路的原理圖。
智能一體化配電柜相對之前的這些配電柜做出了大的改進!是一次技術革新!


針對當前機房配電容易發生單點故障的現狀,集成當今技術成果和硬軟件設計于一身。致力于給機房配電的建設和管理帶來了全新的體驗,主要應用于金融、電信、企業、政府等數據中心和機房,容量范圍為30KVA-160KVA。整個配電系統采用標準的網絡機柜兼模塊化結構設計,搭配豐富的選配件,可以根據機房的實際需要,為客戶量身定制個性化的高可靠性品。
智能配電柜實時監控各輸出分路的電流,并可設定各輸出分路電流異常的預告警值,如16A開關,設定報警值為14A,則負載超過14A就報警,可預先發現故障或人為操作隱患,避免過載時,開關切斷電源,造成整個機柜設備斷電。另外輸出分路選用熱插拔斷路器,具備取電相位的調整能力,輕松實現3相不平衡的靈活調整,也可在不斷電的情況下,在線增加輸出分路,進行開關更換。